Канал: Технологические решения для умного дома 05.02.2024
дефекты звука при записи:
видео работы установки смогу записать через неделю. из за поломки телефона.
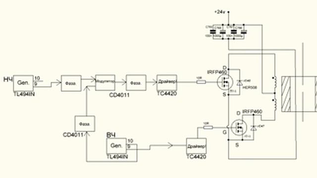
классическая работа пуш пула это движения магнит...
Канал: Технологические решения для умного дома 05.02.2024
Устанавливать гибридные сетевые инверторы Fronius Symo GEN24 Plus и Fronius Primo GEN24 Plus очень просто: смонтировать пластину-кронштейн на стене, уст...
Канал: Технологические решения для умного дома 05.02.2024
Organic chemistry: Essen One and Essen Two have a brief conversation about what they like best; substitution! (expand to view script)
Script:
SN1: Hey...
Канал: Технологические решения для умного дома 05.02.2024
Помните в прошлом видео про солнечную панель Delta SM 100 12 P которая меня разочаровала. Я упоминал, что я обнаружил бракованный элемент у солнечной ба...
Канал: Технологические решения для умного дома 05.02.2024
???????????:
● High-quality pure sine wave output, distortion less than 3%
● Peak power to 2000W
● Digital circuit design, low no-load power consumption...
Канал: Технологические решения для умного дома 05.02.2024
Декабрь 2023 г Энергия от Солнечных Станций 24 и 48 Вольт
Помесячная статистика тут https://www.youtube.com/watch?v=2s_DV_K3sA4&list=PLToh0wCOXFCesaRx...