BEKO inverter кондиционер как пользоваться пультом дистанционного управления
Ссылка для бесплатного скачивания книги «Ремонт кондиционеров»: https://dr...
Приобрести товар можно на нашем сайте Bersa-tools:
https://bersa-tools.ru/products/flanets-trojnik-sistemy-ohlazhdeniya-bmw-11537560130
Артикул: BT00848...
Таймер-куб F4 Gravity timer с экраном - идеальный таймер для работы и учебы, для длительных тренировок или для приготовления пищи и выпечки на кухне. Эт...
Продам Комплект Дбж акумулятор GEL ИБП безперебійник безперебойник ІБП Volt Polska12V 500W інвертор
Вся інформація в телефонному режимі або на Viber
П...
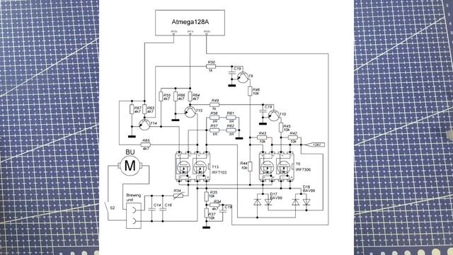
Из-за высокого тока в цепи редуктора заварочного узла сгорает один из ключей драйвера мотора, цепь контроля наличия поддона каплеулавливателя завязана н...
В даному відео я розпакую та підключу довгоочікуваний гібридний інвертор від компанії PowMr 24в 4.2кВт, дам відповіді на питання, які можуть Вас цікавит...
Друзья, подписывайтесь на наш телеграмм-канал, только там, эксклюзивный контент по всем нашим покупкам: https://t.me/carsfromJapan1
Вам нужно подобрать...
Поліщук Ігор придбав інверторний стабілізатор напруги Quant-7 х 3шт. для будинку по причині частих стрибків напруги.
Для довідки: інверторний стабіліза...
Если для строительных чертежей расстановки розеток можно получить рисунок в Homestyler а потом продолжить черчение в Autocad и там закончить рабочий чер...
Распаковка новейшего фена Dyson Supersonic Nural.
Обзор двух новых функций -
1) Датчика ускорения (accelerometer) уменьшающего поток фоздуха
и темпера...