air conditioner set: https://amzn.to/31lmH96
good other AC set: https://amzn.to/2CLw2gj
great Bosh alternative AC set: https://amzn.to/2A5w6X9
good alte...
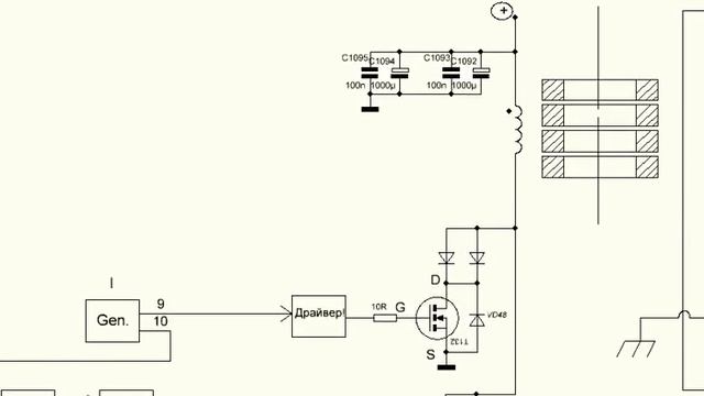
более подробно на форуме: http://energyscience.ru/topic17-42.html#p481
АЛЬТЕРНАТИВНАЯ ЭНЕРГИЯ
http://EnergyScience.ru/
THE CREATION OF AUTONOMOUS SOUR...
किसी भी पुराने Calling Bell को बनाये Touch Calling Bell..220V Touch Switch Circuit..Touch Sensor..
Friends in this video I will show you how to make ...
Check Comment Box...
Anern 7200W 8200W 10200W On and Off Grid Solar Inverter Hybrid MPPT 160A 180A 230V Pure Sine Wave DC 48V for Battery Charger.
#Anern
http://elenergy.md/invertor/ - Invertor fotovoltaic trifazat On grid SOFAR Solar 17KTLX-G3 (17 KW) de vanzare in Chisinau Moldova IN STOC. Este permisa ...